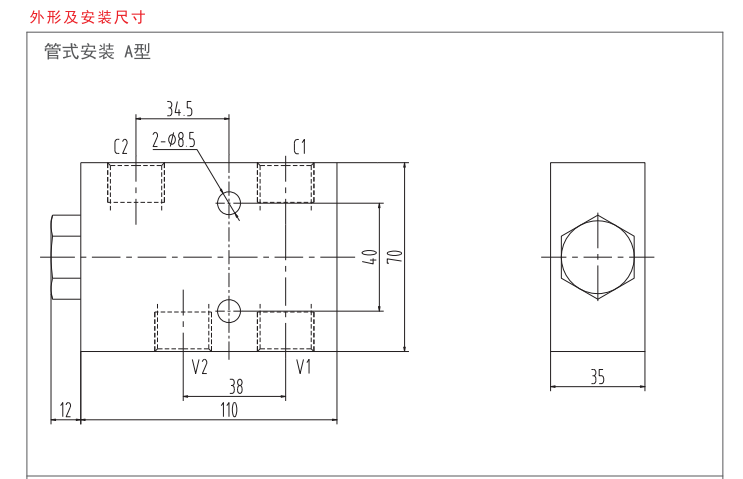
VS050S单向液压锁

image.png

image.png

image.png

image.png

返回上级