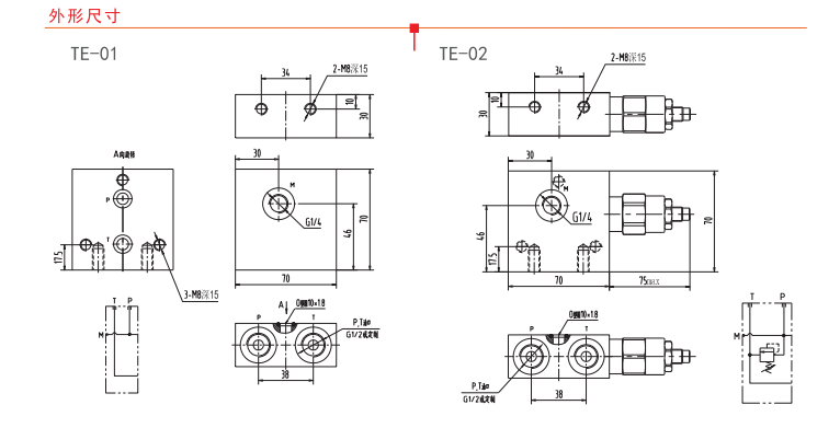
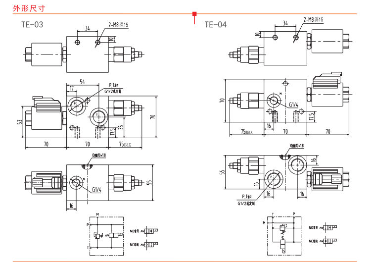
TE进油联

image.png

image.png

image.png

返回上级