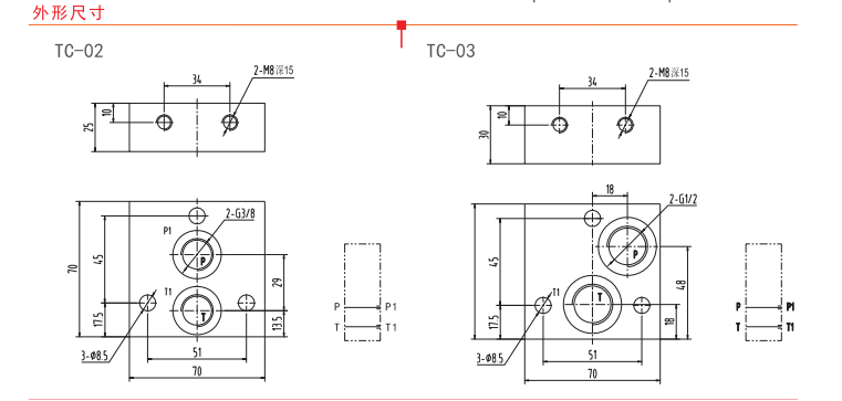
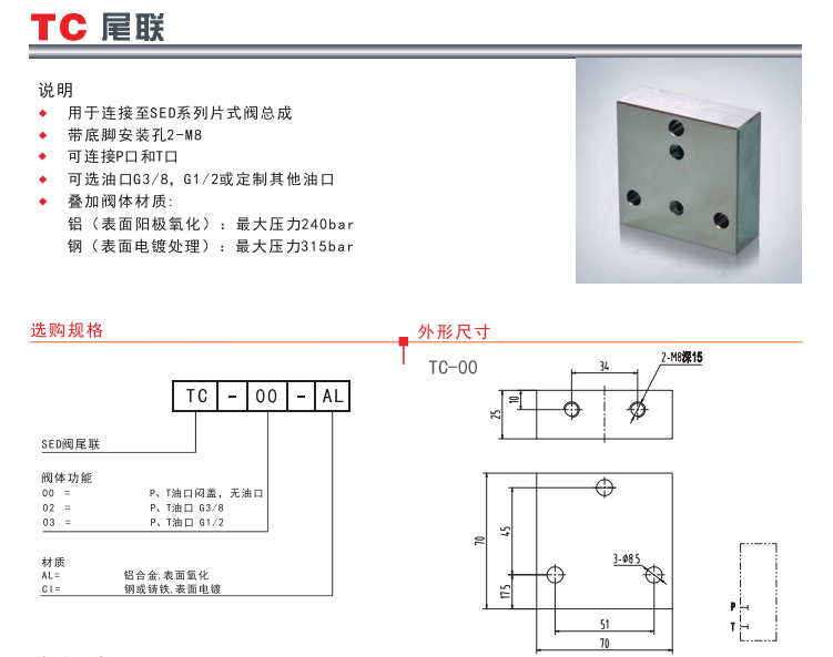
TC尾联

image.png

image.png


返回上级